یہ LED T8 ٹیوب ہاؤسنگ پی سی کور اور ایلومینیم بیس کٹ T8 ٹیوبوں میں سب سے زیادہ مقبول ہے، جس میں روایتی آدھا ایلومینیم آدھا پلاسٹک ڈھانچہ ہے۔ چین میں ایک OEM اور ODM طاقتور پلاسٹک اخراج LED پروفائلز بنانے والے کے طور پر، JE LED Profile CO., LTD چین میں ایل ای ڈی ایلومینیم پروفائلز فراہم کرنے والا ایک ون سٹاپ مینوفیکچرر ہے۔
1. مصنوعات کا تعارف
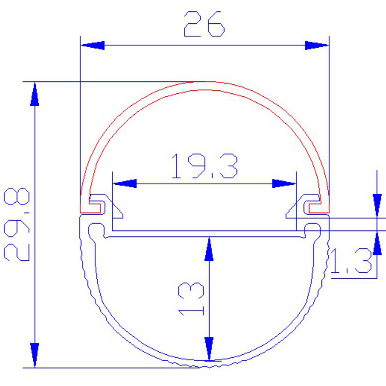
JE-26 LED T8 ٹیوب ہاؤسنگ پی سی کور اور ایلومینیم بیس آدھا ایلومینیم اور آدھا پلاسٹک لیمپ ٹیوب کٹ ہے، لیمپ شیڈ پلاسٹک ہے، اور اسے شفاف، دودھیا سفید، یا دھاری دار اور دودھ دار دھاری دار بنایا جا سکتا ہے۔ پی سی کا معیار بہت اچھا ہے، شفاف ماڈل کی روشنی کی ترسیل 90 فیصد سے زیادہ ہے، اور اسے پیلا کرنا آسان نہیں ہے۔ موٹی ہوا بازی کے مواد کا ایلومینیم پروفائل استعمال کیا جاتا ہے، اور ظاہری شکل سادہ اور خوبصورت ہے، اور اسے درست کرنا آسان نہیں ہے۔ پی سی بی سائز 19*1 ملی میٹر پر لاگو ہوتا ہے۔
	
2. پروڈکٹ پیرامیٹر (تفصیلات)
| 
				 لمبائی  | 
			
				 600mm، 900mm، 1200mm، 1500mm، 2400mm یا اپنی مرضی کے مطابق  | 
		
| 
				 نالی  | 
			
				 T8  | 
		
| 
				 قطر  | 
			
				 26 ملی میٹر  | 
		
| 
				 پی سی بی بورڈ کا سائز  | 
			
				 19*1.2 ملی میٹر  | 
		
| 
				 ڈرائیور  | 
			
				 اندرونی  | 
		
| 
				 ڈرائیور کی زیادہ سے زیادہ اونچائی  | 
			
				 12 ملی میٹر  | 
		
| 
				 ایلومینیم بیس مواد  | 
			
				 6063 ایلومینیم کھوٹ  | 
		
| 
				 ایلومینیم بیس رنگ  | 
			
				 چاندی  | 
		
| 
				 پلاسٹک ڈفیوزر مواد  | 
			
				 پولی کاربونیٹ  | 
		
| 
				 پلاسٹک ڈفیوزر کا رنگ  | 
			
				 پالا ہوا، صاف (شفاف)، پٹی۔  | 
		
| 
				 ٹوپیاں ختم کریں۔  | 
			
				 پلاسٹک  | 
		
| 
				 پانی اثر نہ کرے  | 
			
				 آئی پی 20  | 
		
	
3. مصنوعات کی خصوصیت اور درخواست
یہ JE-26 LED T8 ٹیوب ہاؤسنگ پی سی کور اور ایلومینیم بیس بنیادی طور پر اسکول لائٹنگ، فیکٹری لائٹنگ، کنوینیوئنس اسٹور لائٹنگ، ہوم لائٹنگ، شاپنگ مال لائٹنگ، آفس لائٹنگ اور بہت کچھ کے لیے استعمال ہوتا ہے۔
	
 
	
4. پروڈکٹ کی تفصیلات
اس LED T8 پلاسٹک ٹیوب ہاؤسنگ کی مزید تفصیلات:
	
 
	
5. مصنوعات کی اہلیت
	
 
ایل ای ڈی ایلومینیم پروفائل اور ایل ای ڈی پلاسٹک پروفائل پروفیشنل ڈویلپر کے طور پر، یہاں ہماری اہم مشینیں ہیں:
1.20 پلاسٹک کے اخراج کی مشینیں۔
2.5 ایلومینیم اخراج مشینیں،
3. یہ جانچنے کے لیے ایک پیشہ ور مربوط دائرہ کہ آیا ہماری لیمپ کٹ کے ذریعے بنائے گئے لیمپ صارفین کے لیے درکار مختلف اشاریوں کو پورا کر سکتے ہیں،
4. روشنی کی ترسیل اور پلاسٹک کے لیمپ شیڈز کی دیگر خصوصیات کو جانچنے کے لیے ایک پیشہ ور معیاری لائٹ سورس ٹیسٹنگ کا سامان۔
JE ہمیشہ ایلومینیم اور پلاسٹک کے خام مال سے لے کر ایکسٹروشن پروڈکشن لائن تک مصنوعات کی اہلیت پر توجہ مرکوز کرتا ہے، نمونے کوالٹی کنٹرول سے لے کر بڑے پیمانے پر پروڈکشن کنٹرول تک، مضبوط پرفیکٹ پیکج سے لے کر پورے دل کی خدمت تک۔
	
 
	
6. ڈیلیور، شپنگ اور سرونگ
	
 
	
	
7. اکثر پوچھے گئے سوالات
Q1. پیشکش (کوٹیشن) کی میعاد کتنی ہے؟
Re: عام طور پر ایک ماہ کے لیے۔
Q2. اگر OEM قابل قبول ہے؟
Re: ہاں، ہمارے پاس بہت سے قسم کے پیشہ ور اور تکنیکی اہلکار اور کافی مشینیں ہیں جو OEM اور ODM تعاون کو قبول کرنے کے لیے بہت تیار ہیں۔
Q3. کیا آپ نمونہ فراہم کرتے ہیں؟ مفت یا چارج؟
Re: جی ہاں، ہم نمونے کے لئے چارج کرتے ہیں.
Q4. آپ کی ادائیگی کی مدت کیا ہے؟
Re: پیشگی ادائیگی میں 30%، بیلنس شپمنٹ سے پہلے ادا کیا جائے گا۔
Q5. کیا مولڈ کھولنے کی لاگت گاہک یا آپ کی فیکٹری برداشت کرتی ہے؟
Re: گاہک پہلے قیمت ادا کریں، کل آرڈر کے لیے مقدار 50000 میٹر سے زیادہ ہونے کے بعد، ٹول لاگت کو ترتیب کے مطابق کم کیا جا سکتا ہے۔